Türkçe English العربية РУССКИЙ Deutsch

2324338535

[email protected]

Vodapump
  • الصفحة الرئيسية
  • المؤسسة
  • المنتجات
  • شهادات الجودة
  • صورة
    • عملية المفهوم الأساسي لمضخة المياه
    • تقديم للشركه
    • مدينتنا - rimzi -
  • الوكلاء
  • الإتصال

MSL / TSL - 2K

  1. الصفحة الرئيسية
  2. MSL / TSL - 2K

أحادية الطور بمرحلتين حلزونية / مضخات كهربائية ثلاثية الطور موحدة الكتلة

الفئات

  • ✓ مضخات المياه
    • - MSL / TSL - 40
    • - MSL / TSL - 50
    • - MSL / TSL - 80
    • - TSL - 50
    • - TSL - 80 (33m)
    • - TSL - 80 (45m)
    • - MSL / TSL - 2K
  • ✓ الهيدروفات
    • - المضخة العمودية متعددة المراحل (90 نوعا)
    • - العمود العمودي نوع واحد متعدد المرحلة الذاتي دفعة المياه الداعم (90 نوع)
    • - العمود العمودي نوع متعدد المراحل ذاتي التسليح المياه الداعم (90 نوع)
    • - العمود العمودي نوع متعدد المراحل ذاتي الاستعداد للمياه الداعم (90 نوع)
    • - المضخة العمودية متعددة المراحل (100 نوعا)
    • - العمود العمودي نوع واحد متعدد المرحلة الذاتي دفعة المياه الداعم (100 نوع)
    • - العمود العمودي نوع متعدد المراحل ذاتي التسليح المياه الداعم (100 نوع)
    • - العمود العمودي نوع متعدد المراحل ذاتي الاستعداد للمياه الداعم (100 نوع)
  • ✓ مضخات الصرف
    • - VP DRP
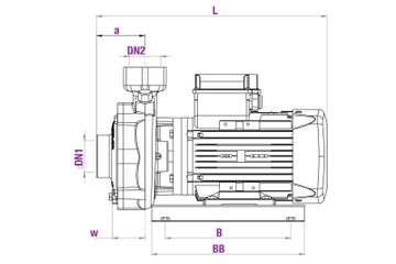
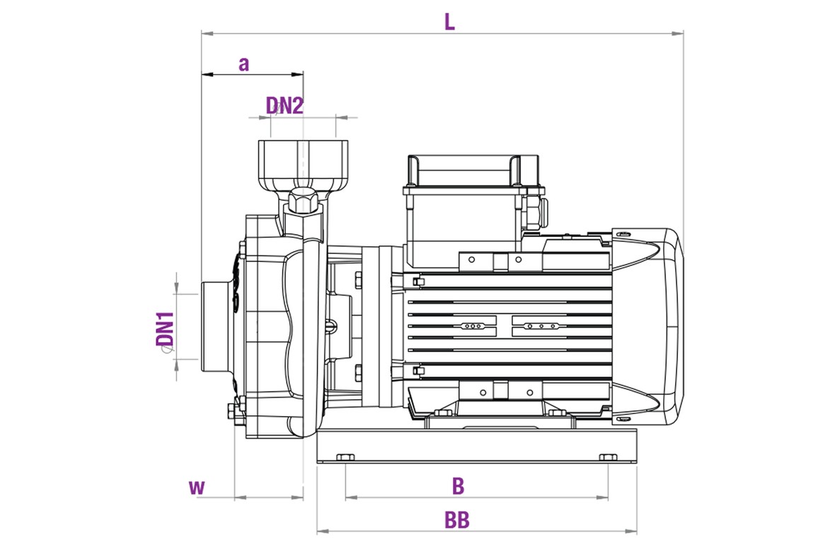
الموديل الطاقة المنافذ الطاقة كغ
ثلاثية الطور حصان كيلو وات الإمتصاص DN1 الإمتصاص DN2 L N h1 h2 h a w A AB B BB ~1 ~3
MSL / TSL - 2K - 40 2 1.5 "½1 "½1 - - - - - - - 202 224 230 280 - -
MSL / TSL - 2K - 50 3 2.2 "2 "2 423 224 120 163 283 89 60 202 224 230 280 32 30
  • إرتفاع الضغط(متر): 45 هكتومتر (متر)
  • التدفق: 375 (لتر/دقيقة) / 23 (م3/ ساعة)
  • نوع التعبئة: تعبئة ميكانيكية
  • درجة حرارة السائل: 0 مئوية / 60 مئوية
  • نوع الهكيل: هيكل صلب صب سفيرو
  • نوع دولاب الدفع: دولاب سفيرو
  • نوع المحرك: محركات ذات كفاءة عالية IE2-IE3-IE4
  • عدد الدورات: 2900 دورة/ دقيقة
  • مجالات الإستخدام: الري بالتنقيط، أنظمة التمطير، المصانع، الإنشاءات، خزانات البخار، الري الزراعي، أنظمة الهيدروفور
Vodapump

شركة موتورجولار المحدودة تأسست في سنة 1996 وبدأت نشاطها في بيع وتسويق المحركات الكهربائية و المخفضات و قطع غيارها، وبعد ذلك بدأت بإنتاج مضخات المياه والهيدروفورات تحت اسم العلامة التجارية المسجلة VODAPUMP في مصنعها الجديد الواقع في منطقة بورنوفا في سنة 2016. وإعتبارا من نسة 2018 إكتسبت الشركة هوية مؤسستية من خلال تغيير إسمها إلى شركة موتوجولار المساهمة وهدفها الرئيسي هو تصدير منتجاتها المصنعة محليا بنسبة 100% إلى دول الخارج بفضل مهندسيها و فنييها ذوي الخبرة.سنة.

الإتصال

العنوان: شارع 2/5615 رقم: 6 تشامديبي ازمير
الهاتف: 2324338535
الفاكس: 2324586309
البريد الإلكتروني: [email protected]

الإتصال بالمصنع

العنوان: محلة ايجمانليك شارع 6106 رقم: 66 مجمع جيري كازانماجيلار بورنوفا، ازمير
الهاتف: 2324579498
الفاكس: 2324586309
البريد الإلكتروني: [email protected]

الروابط

الصفحة الرئيسية
المؤسسة
المنتجات
شهادات الجودة
صورة
الوكلاء
الإتصال

© Copyright 2018. All Rights Reserved.